Ausbildungsprojekt:  Änderung und Inbetriebnahme einer  Kompressoranlage

 

1. Einführung:

Die Aufgabenstellungen beziehen sich auf eine Kompressoranlage und ein CNC-Kleinbearbeitungszentrum, die von der Siemens Berufsausbildung Berlin als Ausbildungsprojekte entwickelt wurden. 

Die Anlage und die Maschine entsprechen in der Ausstattung und Funktion weitgehend industriellen Standards, d.h., bei den verwendeten Bauteilen und Aggregaten handelt es sich um Industriekomponenten, wie sie auch in industriellen Anlagen und Maschinen verwendet werden. 

Die (Projekt-) Aufträge bestehen im wesentlichen darin, die Anlage bzw. die Maschine mit zusätzlichen Bauteilen bzw. Aggregaten nachzurüsten und anschließend in Betrieb zu nehmen. Die folgenden, bei der Bearbeitung der Projektaufgabe erforderlichen Arbeitsschritte, sind exemplarisch für die Änderung bzw. Instandhaltung und Inbetriebnahme mechatronischer Systeme und sind von daher auf betriebliche Aufgabenstellungen übertragbar:

  • Konstruktion und Fertigung einfacher Verbindungs- und Befestigungselemente.

  • Montage von Baugruppen/Komponenten.

  • Verdrahtung elektrischer Baugruppen.

  • Einstellen von Steuerungsparametern.

  • Konfiguration von Software.

  • Prüfen der Gesamtfunktion (elektrische Größen und Signale an den Schnittstellen, Bewegungsabläufe, Sicherheitseinrichtungen).

  • Dokumentation der Prüfung und Protokollierung von Meßergebnissen.

  • Durchführung des Probelaufes.

2. Aufbau und Leistungsmerkmale der Kompressoranlage:

Die Anlage hat die Aufgabe, Druckluft frei von Öl und Schmutzpartikeln mit einem regelbaren Arbeitsdruck (von 3 – 8 bar) zu erzeugen. Sie besteht aus folgenden Aggregaten:

  • Antrieb: E-Motor (230 V, Motornennleistung 1,5 kW, n = 1430 min-1)

  • Verdichter: Scrollkompressor (Betriebsdrehzahl n = 2720 min-1, Verdichtungsdruck p = 8 bar, Hubvolumenstrom QH = 4 l/s)

  • Speicher: Druckluftbehälter (30 l)

  • Gestell: Gefertigt aus Profilen, Abmaße 1000 x 600 x 1800, Tischhöhe 800 mm

3. Funktionen der Kompressoranlage:

  • Die Spannungsversorgung kann mit einem NOT-AUS-Schalter unterbrochen werden.

  • Die Anlage schaltet ab, wenn die Schranktüren geöffnet werden.

  • Die Schutzeinrichtungen können über einen Schlüsselschalter überbrückt werden.

  • Der Motor wird über 24 V (Schutzkleinspannung) geschaltet.

  • Die Anlage ist mit einem Temperatur-Sicherheitsschalter ausgerüstet, der beim Überschreiten einer definierten Grenztemperatur die Anlage ausschaltet.

  • Zum Schutz des Motors vor Überlastung verfügt die Anlage über ein Überstromrelais.

  • Optische Signale geben Auskunft über den jeweiligen Betriebszustand der Anlage.

  • Beim Erreichen des Betriebsdruckes schaltet der Motor automatisch ab.

  • Der Druckluftbehälter ist mit einem elektronisch gesteuerten Kondensatabscheider ausgerüstet, der das Kondensat sammelt und es automatisch abführt.

  • Zur Kühlung der Luft sind die Rohrleitungen zum Drucklufttank mit Lamellen versehen (Nachluftkühler).

  • Die Anlage verfügt über eine Wartungseinheit (Wasserabscheider, Filter).

  • Der Betriebsdruck wird über ein Manometer angezeigt.

  • Der Betriebsdruck am Ausgang der Anlage ist einstellbar.

  • Der Druckluftbehälter ist durch ein Überdruckventil abgesichert.

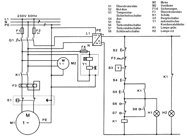
4. Elektrischer Schaltplan:

5. Aufgabenstellung:

Die Druckluftversorgung in betrieblichen Druckluftnetzen wird in der Regel auf mehrere parallel geschaltete Kompressoranlagen verteilt. Durch eine Überdimensionierung der Kapazität ist gewährleistet, daß beim Ausfall eines Kompressors noch immer eine ausreichende Luftmenge zur Verfügung steht. Ihre Aufgabe besteht darin, zwei Kompressoranlagen zu einem Druckluftnetz zu verbinden. Außerdem sollen Sie die Kompressoranlagen mit einigen zusätzlichen Aggregaten zur Optimierung der Funktion nachrüsten.

Die konkreten Arbeitsanweisungen sind im folgenden beschrieben:

  • Zur Verdrängung der warmen Kühlluft aus dem Motorraum ist ein Lüfter (230 V, 45 W) einzubauen. Der Lüfter soll automatisch mit dem Motor anlaufen. Läuft der Lüfter nicht an, darf der Motor auch nicht anlaufen.

  • Ergänzen Sie den Schaltplan mit den für den Anschluß des Lüfters erforderlichen Änderungen, und schließen Sie den Lüfter an.

  • Skizzieren Sie die zur Befestigung des Lüfters erforderlichen Verbindungselemente und fertigen Sie diese an. Die erforderlichen Arbeitsschritte sollen in einem Arbeitsplan dokumentiert werden. Die benötigten Halbzeuge, Normteile und Hilfsmittel sind in einer Stückliste aufzuführen.

  • Zur Erhöhung der Luftqualität soll die Anlage mit einem luftgekühlten Lufttrockner, der über einen zusätzlichen automatischen Kondensatabscheider verfügt, nachgerüstet werden (Anschlußwerte des Lüfters: 230 V, 75 W). Der Lufttrockner ist so zu schalten, daß er zeitgleich mit dem Motor anläuft.

  • Ergänzen Sie den Schaltplan mit den für den Anschluß des Lufttrockners erforderlichen Änderungen und schließen Sie den Lufttrockner an!

  • Fertigen Sie die Rohrleitungen zum Anschluß des Lufttrockners an: Die erforderlichen Arbeitsschritte sollen in einem Arbeitsplan dokumentiert werden (ggf. mit Konstruktionsskizzen). Die benötigten Halbzeuge, Normteile und Hilfsmittel sind in einer Stückliste aufzuführen.

  • Skizzieren Sie die zur Befestigung des Lufttrockners (Kühlkörper, Lüfter und automatischer Kondensatabscheider) erforderlichen Verbindungselemente und fertigen Sie diese an. Die erforderlichen Arbeitsschritte sollen in einem Arbeitsplan dokumentiert werden. Die benötigten Halbzeuge, Normteile und Hilfsmittel sind in einer Stückliste aufzuführen.

  • Die Anlage soll mit einem Betriebsstundenzähler nachgerüstet werden.

  • Integrieren Sie den Betriebsstundenzähler zu den anderen Bedien- und Signalelementen in die Seitenwand des Schaltschranks.

  • Ergänzen Sie den Schaltplan mit den für den Anschluß des Betriebsstundenzählers erforderlichen Änderungen.

  • Zwei Kompressoren sollen in einer Grundlastwechselschaltung (Schützschaltung) parallel geschaltet werden, so daß die Kompressoren wechselweise mit der Druckluftversorgung beginnen und der jeweils zweite Kompressor sich bei entsprechendem Luftbedarf zuschaltet. Ergänzen Sie den Schaltplan mit den erforderlichen Änderungen und schließen Sie die Anlage an.

  • Nehmen Sie die Anlage in Betrieb, und prüfen Sie die Funktionen und die Sicherheitseinrichtungen nach VDE. Fertigen Sie einen Prüfbericht an.

  • Für folgende Störungsfälle ist eine Handlungsanleitung in deutscher und englischer Sprache zu erstellen:

    • Der Kompressor startet nicht.

    • Kompressor stoppt nicht und/oder Sicherheitsventil bläst ab.

    • Kompressorleistung oder Betriebsdruck niedriger als normal.

    • Kompressor überhitzt und/oder wird durch Temperatur-Sicherheitsschalter abgeschaltet.

6. Informationsquellen zur Bearbeitung des Auftrages

Ausgangspunkt der Aufgabenstellung ist die funktionsfähige Kompressoranlage, eine schematische Darstellung der Anlage und der dazugehörige Schaltplan. Weitere Informationsmaterialien sind zur Bearbeitung des Auftrages nicht erforderlich. 

Tiefergehende Kenntnisse über die Funktionsweise des Netzteiles, des Elektromotors und des Kompressors sind zur Bearbeitung des Auftrages nicht erforderlich (Black-Box Prinzip). Bei der Bearbeitung der Aufgabe („Für folgende Störfälle ist eine Handlungsanleitung in deutscher und englischer Sprache zu erstellen!") kann der Fehler systematisch bis zum Motor bzw. bis zum Kompressor eingegrenzt werden und endet z.B. mit der Aussage „Kompressorelement defekt, beim Hersteller nachfragen". 

Sowohl beim Lüfter als auch beim Lufttrockner handelt es sich neben der Konstruktion und Fertigung der mechanischen Bauteile um den Anschluß zweier Elektromotoren, die unter bestimmten Bedingungen ein- und ausgeschaltet werden sollen. 

Die konstruktive Lösung der Befestigungselemente kann durch die Vorgabe alternativer Halbzeuge eingegrenzt werden (z.B. Verwendung von Flachmaterial zum Biegen von Befestigungswinkeln, Vierkantmaterial zum Fräsen von Befestigungswinkeln). 

Zur Realisierung des übergreifenden Ausbildungszieles „wirtschaftliche und umweltschonende Energie- und Materialverwendung" sollten die Auszubildenden ihre konstruktiven Entscheidungen sowohl unter technischen Gesichtspunkten (Größe der Toleranzen, Qualität der Oberflächen, Funktionalität der Konstruktion) als auch unter wirtschaftlichen und Umweltaspekten begründen können (Maschinenstunden, Werkzeug- und Materialkosten). Hierzu gehört auch eine abschließende Messung der Luftqualität (Lufttemperatur der Druckluft).

7. Abbildung der fertigen Kompressoranlage